EN
EN
ENGLISH
首页
关于三开
产品中心
资讯中心
服务案例
联系我们
关于三开
集科研,生产,销售,服务于一体的现代经济体
企业简介
荣誉证书
企业文化
组织架构
发展历史
服务理念
产品服务
专业生产智能万能式断路器,负荷-隔离开关,智能型塑壳断路器,漏电断路器,智能型自动转换开关电器,高分断小型断路器,电源保护器,交流接触器,热继电器,电器火宅监控探测器,控制与保护开关等低压电器产品及高压真空断路器”
框架断路器
隔离开关
塑壳断路器
双电源转换开关
控制和保护电器
电气火灾监控系统
终端电器
多功能电力仪表
skv高压真空断路器
skvm高压永磁真空断路器
资讯中心
公司动态
行业动态
三开视角
服务案例
服务的项目业绩
联系我们
联系方式
招贤纳士
人才理念
产品中心
产品中心
>
框架断路器
隔离开关
塑壳断路器
双电源转换开关
控制和保护电器
电气火灾监控系统
终端电器
多功能电力仪表
skv高压真空断路器
skvm高压永磁真空断路器
直流断路器
首页
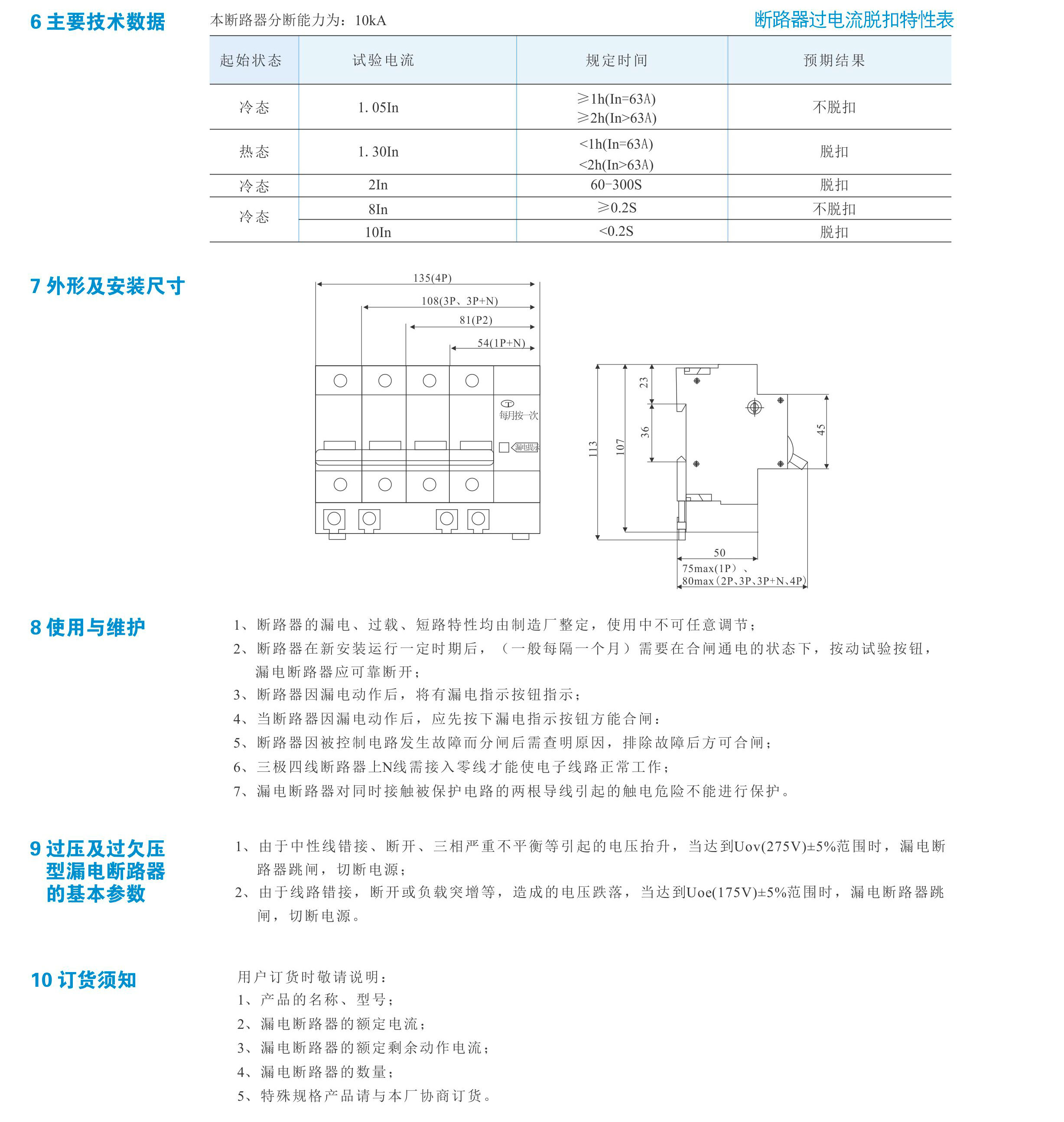
SSB65LE-100小型漏电断路器
产品介绍
产品特点
技术参数
联系我们
关于三开
企业简介
荣誉证书
企业文化
组织架构
发展历史
服务理念
产品中心
直流断路器
框架断路器
隔离开关
塑壳断路器
双电源转换开关
控制和保护电器
电气火灾监控系统
终端电器
多功能电力仪表
skv高压真空断路器
资讯中心
三开视角
行业动态
公司动态
服务案例
服务的项目业绩
联系我们
联系方式
招贤纳士
人才理念
联系方式
热线电话:
400-663-6669
友情链接
三五互联
Copyright 2017 上海三开电气工程有限公司 版权所有
客服一
客服二
shsk69169666@126.com
400-663-6669
TOP