EN

关于三开

集科研,生产,销售,服务于一体的现代经济体

产品服务

专业生产智能万能式断路器,负荷-隔离开关,智能型塑壳断路器,漏电断路器,智能型自动转换开关电器,高分断小型断路器,电源保护器,交流接触器,热继电器,电器火宅监控探测器,控制与保护开关等低压电器产品及高压真空断路器”

服务案例

产品中心

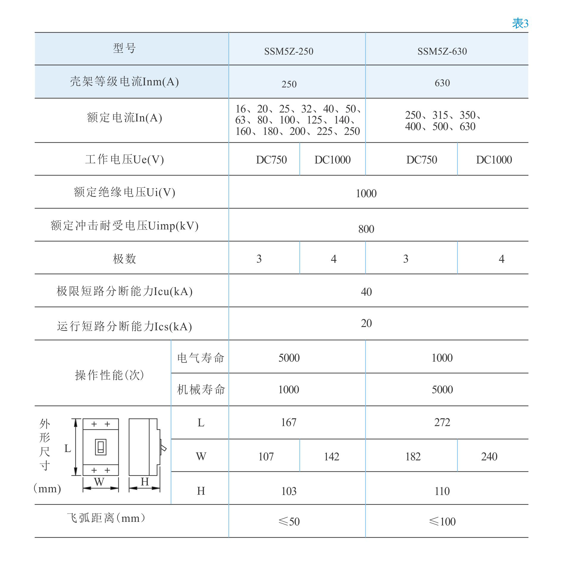
首页 SSM5Z塑壳直流(DC1000V)

产品介绍



  • 产品特点
  • 技术参数

SSM5Z系列光伏专用直流塑壳断路器(以下简称为断路器)是光伏发电系统中重要保护器其额定工作电压为DClOOOV,额定电流为16-630A。断路器具有过载短路和欠电压保护功能,能保护线路和电源设备不妥损。断路器具有体积小,分断能力高、飞狐、抗振动等特点断路器可垂直安装即坚装),亦可水平安装即横装).


联系我们

Copyright  2017 上海三开电气工程有限公司 版权所有