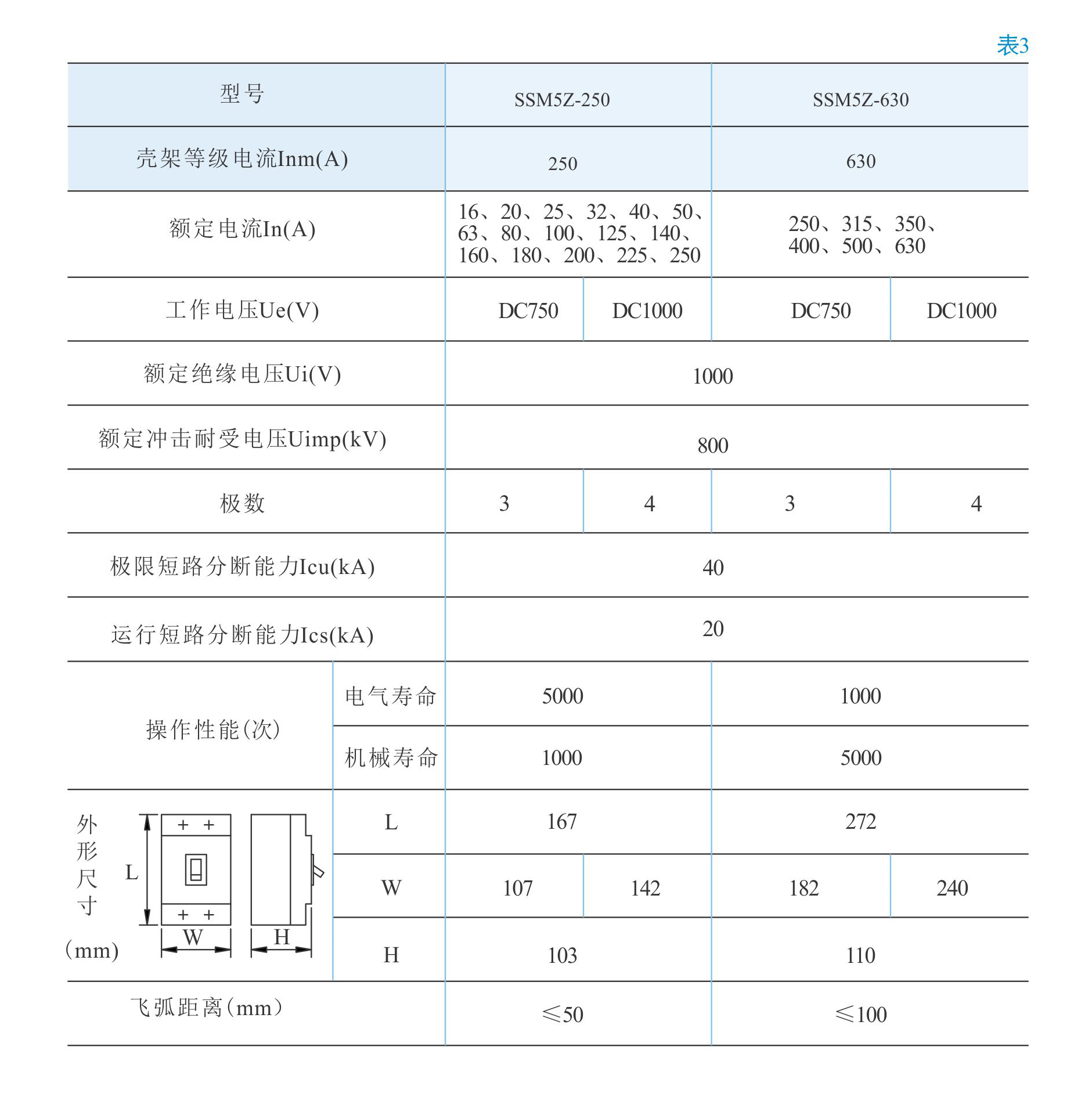
SSM5Z系列光伏专用直流塑壳断路器(以下简称为断路器)是光伏发电系统中重要的保护器件,其额定工作电压为DClOOOV,额定电流为16-630A。断路器具有过载、短路和欠电压保护功能,能保护线路和电源设备不妥损坏。断路器具有体积小,分断能力高、飞狐短、抗振动等特点。断路器可垂直安装(即坚装),亦可水平安装(即横装)SSM5Z系列光伏专用直流塑壳断路器(以下简称为断路器)是光伏发电系统中重要的保护器件,其额定工作电压为DClOOOV,额定电流为16-630A。断路器具有过载、短路和欠电压保护功能,能保护线路和电源设备不妥损坏。断路器具有体积小,分断能力高、飞狐短、抗振动等特点。断路器可垂直安装(即坚装),亦可水平安装(即横装)。

Copyright 2017 上海三开电气工程有限公司 版权所有